动态资讯
当前位置:福建龙溪轴承(集团)股份有限公司 - 动态资讯 - 招标信息
东升国际官网入口集团简易超精机采购项目邀请招标公告
发布时间:2024-02-18 10:25    字体:

福建龙溪轴承(集团)股份有限公司属漳州市属重点国有控股上市企业。现因生产需要,拟采购简易超精机壹台,根据我司管理制度要求,拟采取内部邀请招标方式确定供应商。现欢迎潜在合格的供应商前来报名,参与该项目投标。

一、投标报名人的资格要求:

1.依法注册,具有独立法人的实体注册企业,具备履行合同所必需设备和专业技术能力的制造商、经销商、代理商; 

2. 近三年与本项目相同或相类似的设备销售业绩。

二、报名须知

1.报名时间:2024年02月18日至 2024年02月23日。(上午:8:30~11:30、下午:14:00~17:00,法定节假日、双休日除外)

2. 报名方式:邮箱报名,参与投标的申请人须将公司的营业执照复件及近三年与本项目相同或相类似的设备销售业绩(用EXCEL列表用户名称、销售货物名称规格、数量、交货日期、运行状况,合同截图作为证据)加盖公章(如果是代理商还要提供制造厂家提供的代理授权书或代理授权证明)、代理人的《法定代表人授权委托书》(要有法定代表人的手签)发至采购人指定邮箱,并写明“简易超精机采购”采购与安装项目报名资料、公司名称、属地、项目联系人姓名、手机号码”。

3. 咨询电话:0596-2072080(商务)、0596-2025673(技术)每天上午 8:30至11:30 ,下午 14:00至 17:00(北京时间,法定节假日、双休日除外 )。

三、获取招标文件时间: 2024年02月26日。

四、获取招标文件方式:采购人将以电子邮件的形式发给各投标人。

五、采购技术要求:详见附件

六、采购单位:福建龙溪轴承(集团)股份有限公司

联  系  人:黄先生

邮箱:huangwx@cqceforum.com

地址:福建省漳州市龙文区小港北路32号    邮编:363005

福建龙溪轴承(集团)股份有限公司

2024年02月 18日

附件:

简易超精机采购技术要求

一、设备要求概述

1、设备名称、型号、需求数量

2、交货期:70天

3、主要参数、结构、功能要求

1)主要参数、结构、功能要求

1)设备床身基座由钢板(板厚≥15mm)整体焊接而成,全封闭式。

2)工件箱固定在基座上,为了装配方便,工件轴采用圆筒式轴承座,在外部组装局部总成后再安装到机座上。

3)工件轴采用带传动,由电机+带轮方式,松紧可调,配有安全防护罩。

4)工件轴与工装芯轴采用7:24锥度配合。为了提高工件轴轴承使用寿命,工件轴前端应采取防尘措施。

5)磨架安装在工件箱上方,在工件主轴线垂直平面内,磨头轴线与工件轴轴线互相垂直。

6)磨头由电机+皮带方式驱动,皮带松紧可调整,配有安全防护罩。

7)磨头上下移动采用液压升降,配独立液压箱,使磨头工作时既有柔性,又压力稳定。

8)设备采用油冷却,配置独立冷却油箱。冷却油箱容量≥100L,内部采用隔离沉积过滤。

9)磨头磨削时间可进行设置。磨头下行一定距离后,工件主轴与磨头电机同时转动,磨头按设置时间磨削,磨削时间结束后,磨头上升离开工件,工件和磨头电机同时停止。磨头压力可调。

2)其它补充要求

1)设备不存在漏水、漏油、漏电等三漏现象。

2)设备内部液压系统采用胶管总成进行连接。

3)设备配安全电压内(≤36V)的LED工作灯。

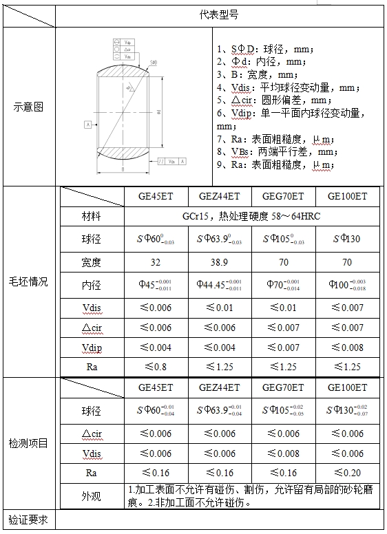
4、设备加工范围

5、设备几何精度指标

6、设备其它技术指标(由各供应商提供)

7、设备平面布局图(含设备高度)

(长*宽*高)

8、工艺要求(总体工艺要求及验收产品型号和要求)

设备验收时,选择1~2作为验收型号(或根据实际情况,双方协商以另选其它型号作为验收型号)进行超精加工,对“设备要求概述”中的内容进行验收。

9、设备主要配备说明

10、易损件清单(由供方提供)

11、设备报价或分项报价(此合同为人民币含税价,并随货提供全额13%的专用增值税发票。总价格包括设备设计、制造、调试、运输、培训及一年(或二年)保修费用。)

12、设备技术要求未尽方面可按国家及行业标准配置并以满足甲方工艺技术要求为准必要时及时与甲方沟通。

二、设备技术要求总则

1、本技术要求为最低限度的技术要求,并未对一切技术细节做出规定,也未充分引述有关标准和规范的条文,供应商应保证提供符合或优于本技术规格书和有关工业标准的优质产品。

2、设备具备良好的人机对话功能,设备节能环保、安全,操作维修方便,造型美观,运行稳定、可靠。

3、设备及其配套的零部件须保证是全新的,零部件、电气元件需选用国际品牌、国内驰名品牌。

4、所用的电气材料必须是中国强制性产品认证(CCC)的产品。

5、设备服务要求:供方在按上述供货范围提供设备的同时,须提供与之相应的伴随服务。包括:技术资料、安装调试、现场试运行、技术支持、技术服务、技术培训等,以及在文中未提及的、隐含的其他必须由供方提供的相关服务。

6、设备颜色要求:按国标色卡电子版(GSB05-1426-2001) , 以床身为界,机床上半身为第77号  GY09冰灰;下半身为第4号  PB04中(酞)蓝;单独电器柜及有电箱标识的部份为第59号  YR桔黄色。电机后罩如可能的话采用第59号  YR桔黄色。

7、机床电气柜内电气元件标识要求:所有的电气元器件、电线都必须要求有唯一的标识,标识的内容要求和电气图纸资料中的标识相一致;电气元件标识位于电气元件正上方,除了标出与图纸一致的元件代号外,应标出终端负载(或控制下一层级)电气元件的中文名称。配电箱的门上明显位置要张贴“当心触电”的警示标识。箱门转动灵活,接地可靠,接地点应标以接地符号。

三、售后服务、培训资料和技术资料等

1、全套设备运输、现场卸货、安装调试均由供货方负责,用户配合并实行交钥匙工程。(我司给以必要配合实施)

2、设备到达用户所在地后,在接到用户安装通知后7个工作日内执行免费安装、调试和培训;人员培训是指设备操作培训。

3、保修:设备质保期为1年或2年,。在设备保修期内不收取零部件及其它费用(人为损坏因素除外),实行保修服务;并提供设备终身有偿售后服务。

4、设备保修期满之后,应提供广泛而优惠的技术支持及备件的供应。

5、维修响应:接到用户通知后,8小时内做出响应,48小时内给出明确解决方案,遵循尽量在最短时间内为用户解决问题的原则,如需要,在48小时内赶到现场。

6、提供壹套使用说明书。说明书满足使用、维护、保养、操作、安全、安装、调整的需要、装订整齐规范。文件资料应含有机械原理图、电气原理图等,以便维保查阅。

7、提供出厂合格证明、装箱单。