机械零部件
当前位置:福建龙溪轴承(集团)股份有限公司 - 东升国际官网入口产业 - 机械零部件 - 关节轴承 - 杆端关节轴承
SABP…S

产品编号:SABP…S 5~30

滑动磨擦副:钢/青铜

产品特点:镶垫杆端关节轴承杆端体材料是碳钢,表面镀锌,滑动表面镶入青铜衬垫;内圈材料是轴承钢,淬火,球面镀硬铬,除了孔径小于6.35外,其余均可通过油杯润滑。

使用温度范围:-50℃~+150℃

  

    
  

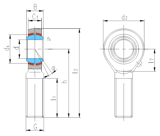
轴 承

型 号

Bearing number

外 形 尺 寸

Dimensions               mm

额定载荷

Load ratings  kN

重 量

Weight

≈kg

d

B

dk

C1

max

d2

 

G

6g

h

l1

min

l2

 

l7

 

rs

min

αº

动载荷

Dynamic

静载荷

Static

SABP5S1)

5

8

11.112

6

16

M5

33

20

41

0.3

13

3.3

3.9

0.016

SABP6S1)

6

9

12.7

6.75

18

M6

36

22

45

0.3

13

4.3

5.3

0.026

SABP8S

8

12

15.88

9

22

M8

42

25

53

0.3

14

6.8

8.5

0.044

SABP10S

10

14

19.05

10.5

26

M10

48

29

61

0.3

14

10

11

0.072

SABP12S

12

16

22.23

12

30

M12

54

33

69

0.3

13

13

14

0.108

SABP14S

14

19

25.4

13.5

34

M14

60

36

77

0.3

16

17

20

0.161

SABP16S

16

21

28.58

15

38

M16

66

40

85

0.3

15

21

25

0.225

SABP18S

18

23

31.75

16.5

42

M18×1.5

72

44

93

23

0.6

15

26

30

0.295

SABP20S

20

25

34.93

18

46

M20×1.5

78

47

101

25

0.6

15

31

35

0.382

SABP22S

22

28

38.1

20

50

M22×1.5

84

51

109

27

0.6

15

38

43

0.488

SABP25S

25

31

42.86

22

60

M24×2

94

57

124

29

0.6

15

47

65

0.749

SABP28S

28

35

47.63

25

66

M27×2

103

62

136

33

0.6

15

59

77

0.949

SABP30S

30

37

50.8

25

70

M30×2

110

66

145

39

0.6

17

63

86

1.13

1)不能润滑。

可提供不同螺距或螺纹精度有特殊要求的杆端关节轴承。

若是左旋螺纹,轴承型号和螺纹标记需加“L”和“左”,例如:SALBP20S  M20×1.5左-6g。

以上产品的杆端体和内圈可用不锈钢制造,轴承型号后面加“X”标识,即SABP…S/X。