机械零部件
当前位置:福建龙溪轴承(集团)股份有限公司 - 东升国际官网入口产业 - 机械零部件 - 关节轴承 - 杆端关节轴承
SAZJ...

产品编号:SAZJ… 4.83~19.05

滑动磨擦副:钢/钢

产品特点:挤压杆端关节轴承杆端体材料是碳钢,表面镀锌,挤压成形,内圈材料是轴承钢,淬火,球面镀硬铬。

使用温度范围:-50℃~+150℃ 

  

    

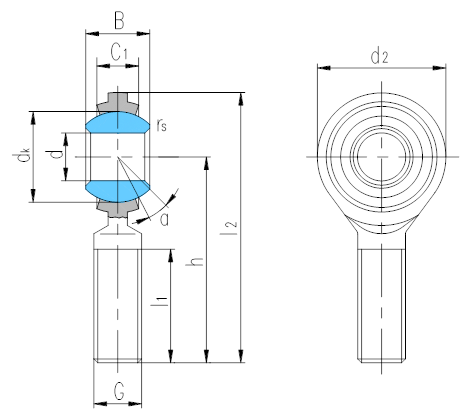
轴 承

型 号

Bearing number

外 形 尺 寸

Dimensions               mm/inch

额定载荷

Load ratings  kN

重量

Weight

≈kg

d

B

dk

C1

max

d2

 

G

UNF-2A

h

l1

min

l2

 

rs

min

αº

动载荷

Dynamic

静载荷

Static

SAZJ4

4.83

7.92

11.1

5.94

15.88

10-32

31.75

19.05

39.70

0.3

10

3.6

3.8

0.014

0.19

0.312

0.437

0.234

0.625

1.25

0.75

1.563

0.012

SAZJ6

6.35

9.53

12.7

6.35

19.05

1/4-28

39.67

25.40

49.20

0.3

13.5

5.4

6.6

0.018

0.25

0.375

0.5

0.25

0.75

1.562

1

1.937

0.012

SAZJ7

7.94

11.10

15.88

7.92

22.23

5/16-24

47.63

31.75

58.72

0.3

11

8.5

12

0.032

0.3125

0.437

0.625

0.312

0.875

1.875

1.25

2.312

0.012

SAZJ9

9.53

12.70

18.26

9.12

25.40

3/8-24

49.23

31.75

61.93

0.6

11

11

16

0.050

0.375

0.5

0.719

0.359

1

1.938

1.25

2.438

0.024

SAZJ11

11.11

14.27

20.62

10.31

28.58

7/16-20

53.98

34.93

68.28

0.6

10.5

14

21

0.068

0.4375

0.562

0.812

0.406

1.125

2.125

1.375

2.688

0.024

SAZJ12

12.7

15.88

23.81

11.50

33.32

1/2-20

61.93

38.10

78.59

0.6

10

18

28

0.11

0.5

0.625

0.937

0.453

1.312

2.438

1.5

3.094

0.024

SAZJ15

15.88

19.05

28.58

12.29

38.10

5/8-18

66.68

41.28

85.73

0.6

13

23

29

0.16

0.625

0.75

1.125

0.484

1.5

2.625

1.625

3.375

0.024

SAZJ19

19.05

22.23

33.32

15.06

44.45

3/4-16

73.03

44.45

95.25

0.6

12

34

44

0.26

0.75

0.875

1.312

0.593

1.75

2.875

1.75

3.75

0.024

可提供不同螺纹精度要求的杆端关节轴承。

可提供滑动摩擦副为钢/ PTFE复合材料或钢/ PTFE编织物的杆端关节轴承。

若是左旋螺纹,轴承型号和螺纹标记需加“L”和“LH”,例如:SALZJ12  1/2-20UNF-2ALH。

以上产品的杆端体和内圈可用不锈钢制造,轴承型号后面加“X”标识,即SAZJ…/X。