机械零部件
当前位置:福建龙溪轴承(集团)股份有限公司 - 东升国际官网入口产业 - 机械零部件 - 关节轴承 - 球头杆端关节轴承
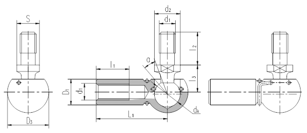
SQG...

产品编号:SQG… 5~14

滑动磨擦副:钢/钢

产品特点:弯杆型球头杆端关节轴承球头座和球头杆的材料均为碳钢。

使用温度范围:-50℃~+150℃

  

  

  

轴 承

型 号

Bearing

number

外 形 尺 寸

Dimensions                               mm

额定载荷

Static load ratings

kN

重 量

Weight

≈kg

d1

d2

 

dk

 

l1

 

l2

l3

 

S

L1

D1

 

D3

 

α˚

SQG5

M5

8

8

10.2

10.2

9

7

22

8

12.8

10

2.2

0.015

SQG6

M6

10

10

11.5

12.5

11

8

25

10

14.8

15

3.5

0.025

SQG8

M8

13

13

14

16.5

13

11

30

13

19.3

15

6.6

0.053

SQG10

M10

16

16

15.5

20

16

13

35

16

24

15

10

0.104

SQG12

M12

16

16

15.5

20

16

13

35

16

24

15

16

0.104

SQG14

M14×1.5

19

19

21.5

28

20

16

45

22

30

15

19

0.221

SQG14/B5

M14×2

19

19

21.5

28

20

16

45

22

30

15

26

0.221

  

球头座杆螺纹也可为左旋,若是左旋,轴承型号和螺纹标记需加“L”和“左”,例如:SQGL5  M5左-6H。