机械零部件
当前位置:福建龙溪轴承(集团)股份有限公司 - 东升国际官网入口产业 - 机械零部件 - 关节轴承 - 带座带锁口杆端关节轴承
SIGEW...ES

产品编号:SIGEW…ES 12~320

滑动磨擦副:钢/钢

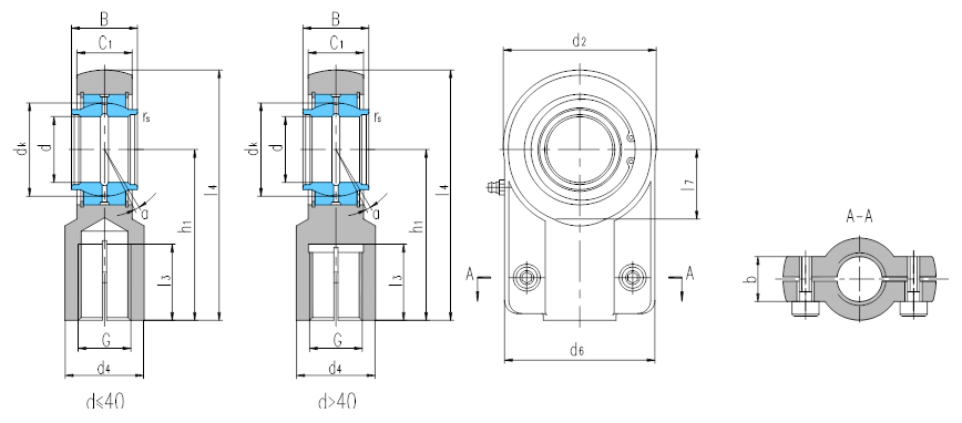
产品特点:带锁口杆端关节轴承由杆端体和向心关节轴承GEEW…ES组装而成,用挡圈固定,d<63,杆端体材料是碳钢,63≤d≤80,杆端体材料是碳钢或球墨铸铁,d>80,杆端体材料是球墨铸铁,杆端体的内螺纹带有锁口,配有螺钉紧固;可通过油杯润滑。

使用温度范围:-50℃~+150℃

  

  

 

 

Bearing

number

     

Dimensions              mm

额定载荷

Load Ratings kN

 

 

Screw

重量

Weight

kg

d

B

dK

C1

 

d2

 

G

6H

h1

l3

 

l4

 

l7

 

d4

 

d6

 

b

rs

 

α˚

动载荷

Dynamic

静载荷

Static

SIGEW12ES 1)

12

12

18

11

32

M12×1.25

38

17

54

14

16

32

15

0.3

4

10

24.5

M5×16

0.11

SIGEW16ES

16

16

23

14

40

M14×1.5

44

19

64

18

21

40

15

0.3

4

17

36.5

M6×16

0.20

SIGEW20ES

20

20

29

17

47

M16×1.5

52

23

77

22

25

47

19

0.3

4

30

48

M8×20

0.35

SIGEW25ES

25

25

35.5

22

58

M20×1.5

65

29

96

27

30

54

19

0.6

4

48

78

M8×20

0.62

SIGEW32ES

32

32

43

28

71

M27×2

80

42

118.5

32

38

66

22

0.6

4

65

114

M10×25

1.15

SIGEW40ES

40

40

53

33

90

M33×2

97

52.5

146

41

47

80

26

0.6

4

99

204

M10×25

2.18

SIGEW50ES

50

50

66

40

109

M42×2

120

63.5

179.5

50

58

96

32

0.6

4

156

310

M12×35

3.96

SIGEW63ES

63

63

83

53

136

M48×2

140

72

211

62

70

114

38

1

4

253

430

M16×40

7.23

SIGEW63ES-D 2)

SIGEW70ES

70

70

92

57

155

M56×2

160

84

245

70

80

135

42

1

4

313

540

M16×40

11.1

SIGEW70ES-D 2)

SIGEW80ES

80

80

105

67

170

M64×3

180

92.5

270

78

90

148

48

1

4

400

695

M20×50

15.01

SIGEW80ES-D 2)

SIGEW90ES

90

90

115

72

185

M72×3

195

103

296

85

100

160

52

1

4

488

750

M20×55

19.1

SIGEW100ES

100

100

130

85

211

M80×3

210

108

322.5

98

110

178

62

1

4

607

1060

M24×60

25.5

SIGEW110ES

110

110

140

88

235

M90×3

235

118

364

105

125

190

62

1

4

654

1200

M24×60

36.6

SIGEW125ES

125

125

160

103

265

M100×3

260

125

405

120

135

200

72

1

4

950

1430

M24×70

52.6

SIGEW160ES

160

160

200

130

326

M125×4

310

138

488

150

165

250

82

1

4

1360

2200

M24×80

79

SIGEW200ES

200

200

250

162

418

M164

390

173

620

195

215

320

102

1.1

4

2120

3650

M30×100

164

SIGEW250ES

250

250

350

192

580

M204

530

217

847

265

300

420

142

1.1

4

3750

6400

M36×140

430

SIGEW320ES

320

320

450

260

700

M256

640

272

1015

325

360

520

170

1.1

4

6200

10800

M36×160

771

  

1)只能通过杆端眼孔润滑。

2)杆端体采用碳钢锻造。

可装自润滑向心关节轴承。

若是左旋螺纹,轴承型号和螺纹标记需加“L”和“左”,例如:SILGEW40ES  M33×2左-6H。